반응형
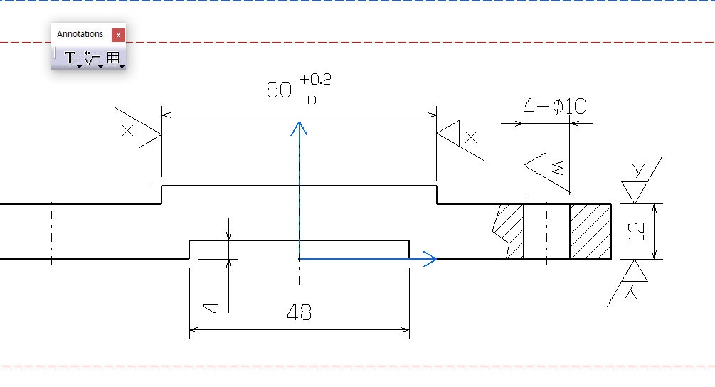
1. Roughness Symbol(다듬질 기호)

뾰족한 부분이 다듬질 되는 부분

해당 면에다가 기입하는 것이 맞지만 공간이 협소할 경우에는 해당 치수 보조선에다가 기입할 수 있음.
Shift 누른 상태에서 다듬질 기호 움직이면 부드럽게 움직임.

w, x, y 순으로 매끄럽게 다듬질 되는 순서.
즉, w는 가공 후 가공된 것이 티가 나고, y는 매끄럽게 가공됨

누르고 다듬질 기호 양 쪽 부분을 눌러주면 됨.
치수 10과, 치수 2 둘다 해주면 아래 사진처럼 다듬질 기호가 안 겹치게 나옴.


Remove Interuuption 누르고 Create Interuption 처럼 하면 자른 부분이 다시 생김.
2. Drawing(대표 거칠기)



번호 누르고 Shift 눌러서 x, y에 접하도록 옮기기.
그리고 그 옆에 다듬길 기호 넣기.



Instantiate 2D Component 누르고 만든 Sheet.2 누르기. 만든 View에 맞춰주기.

Exlpode 2D Component 눌러야 번호와 다듬질 기호를 따로따로 수정할 수 있음.
3. 기하 공차

<Datum Feature>

Filled Triangel로 Symbol Shape 변경
<Geometrical Tolerance : 기하 공차>


Filled Arrow로 Symbol Shape 변경

위에 있는 기하 공차 기호부터 넣기.
Add Tolerances 기호 누르면 두 번째 기하 공차 기호 생성할 수 있음.
반응형